

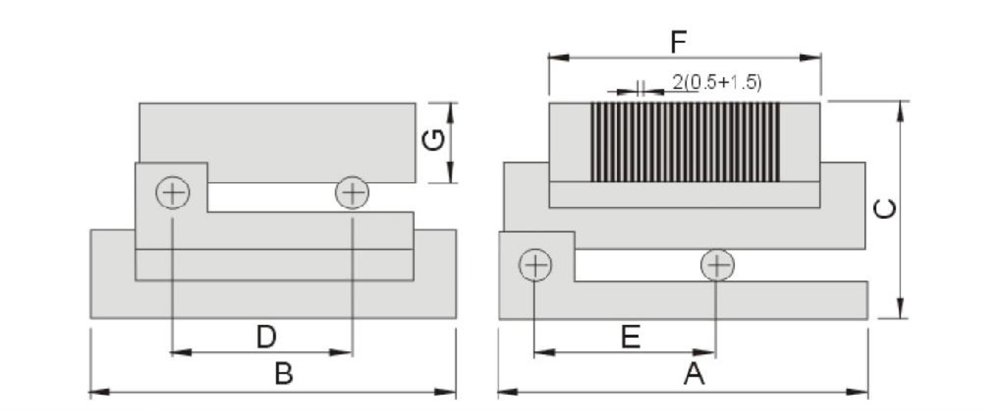
兩墊輪中心精度0.005mm以內。
調整角度範圍0~60。
一體式正弦磁臺操作簡易且精密極高的工具。
磁盤銅距僅1.5mm可黏吸細小之工作物。
高度低于一般正弦磁盤使用更方便。
平行度0.003mm/100mm以內。

| 訂購編號 | 型號 | A | B | C | D | E | F | 重 |
| Order No. | Model | N.W. | ||||||
| 5520-10 | MSP35S | 177 | 75 | 74 | 50 | 40 | 130 | 6.5kg |
| 5520-15 | 7 | 3 | 2.9 | 2 | 1.58 | 5 | ||
| 5520-20 | MSP47S | 225 | 102 | 84 | 75 | 47 | 175 | 11kg |
| 5520-25 | 9 | 4 | 3.3 | 3 | 1.85 | 7 | ||
| 5520-30 | MSP66S | 300 | 152 | 84 | 100 | 47 | 150 | 14.8kg |
| 5520-35 | 8 | 6 | 3.3 | 5 | 1.85 | 6 | ||
| 5520-40 | MSP510S | 300 | 127 | 84 | 100 | 47 | 250 | 20kg |
| 5520-45 | 12 | 5 | 3.3 | 4 | 1.85 | 10 | ||
| 5520-50 | MSP412S | 350 | 102 | 84 | 75 | 47 | 300 | 20.3kg |
| 5520-55 | 14 | 4 | 3.3 | 3 | 1.85 | 12 | ||
| 5520-60 | MSP612S | 350 | 152 | 84 | 100 | 47 | 300 | 27.5kg |
| 5520-65 | 14 | 6 | 3.3 | 5 | 1.85 | 12 |

複合式細目正弦磁臺可從X.Y兩個方向上進行
角度傾斜,也可一次從兩個方向成型工件磨削
底座探用優質鋼材經熱處理.硬度高且精準。
精準的旋轉角度是通過塊規來獲取。
平行度0.003mm/1 00mm以內。
兩墊輪中心精度0.005mm以內。
調整角度範圍0~60°

| 訂購編號 | 型號 | A | B | C | D | E | F | G | 重量 |
| Order No. | Model | N.W. | |||||||
| 5522-10 | CMSP35S | 177 | 122 | 107.7 | 50 | 100 | 130 | 40 | 10kg |
| 5522-15 | 7.0 | 4.8 | 4.2 | 2 | 5 | 5 | 1.58 | ||
| 5522-20 | CMSP47S | 225 | 150 | 121 | 75 | 150 | 175 | 47 | 16kg |
| 5522-25 | 9 | 6 | 4.8 | 3 | 7 | 7 | 1.85 | ||
| 5522-30 | CMSP66S | 200 | 200 | 121 | 100 | 150 | 150 | 47 | 20.9kg |
| 5522-55 | 8 | 8 | 4.8 | 5 | 6 | 6 | 1.85 | ||
| 5522-40 | CMSP510S | 300 | 175 | 121 | 100 | 200 | 250 | 47 | 28kg |
| 5522-45 | 12 | 7 | 4.8 | 4 | 10 | 10 | 1.85 |
訂購:一體超薄正弦磁臺 MSP 5520