
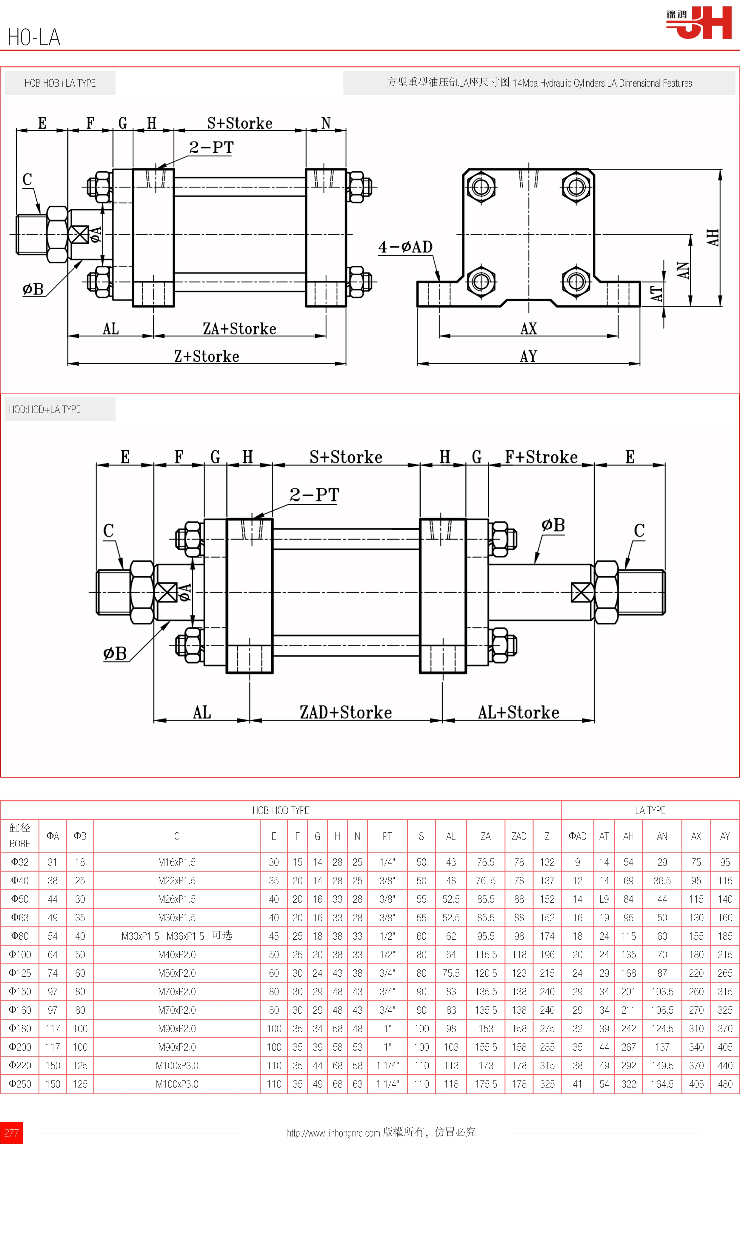
HOB:HOB+LA TYPE | 方型重型油壓缸LA座尺寸圖 14Mpa Hydraulic Cylinders LA Dimensional Features |
![]() | |
HOD:HOD+LA TYPE

| HOB-HOD TYPE | LA TYPE | |||||||||||||||||||
| 缸徑 BORE | ΦA(chǔ) | ΦB | C | E | F | G | H | N | PT | S | AL | ZA | ZAD | Z | ΦA(chǔ)D | AT | AH | AN | AX | AY |
| Φ32 | 31 | 18 | M16xP1.5 | 30 | 15 | 14 | 28 | 25 | 1/4" | 50 | 43 | 76.5 | 78 | 132 | 9 | 14 | 54 | 29 | 75 | 95 |
| Φ40 | 38 | 25 | M22xP1.5 | 35 | 20 | 14 | 28 | 25 | 3/8" | 50 | 48 | 76. 5 | 78 | 137 | 12 | 14 | 69 | 36.5 | 95 | 115 |
| Φ50 | 44 | 30 | M26xP1.5 | 40 | 20 | 16 | 33 | 28 | 3/8" | 55 | 52.5 | 85.5 | 88 | 152 | 14 | L9 | 84 | 44 | 115 | 140 |
| Φ63 | 49 | 35 | M30xP1.5 | 40 | 20 | 16 | 33 | 28 | 3/8" | 55 | 52.5 | 85.5 | 88 | 152 | 16 | 19 | 95 | 50 | 130 | 160 |
| Φ80 | 54 | 40 | M30xP1.5 M36xP1.5 可選 | 45 | 25 | 18 | 38 | 33 | 1/2" | 60 | 62 | 95.5 | 98 | 174 | 18 | 24 | 115 | 60 | 155 | 185 |
| Φ100 | 64 | 50 | M40xP2.0 | 50 | 25 | 20 | 38 | 33 | 1/2" | 80 | 64 | 115.5 | 118 | 196 | 20 | 24 | 135 | 70 | 180 | 215 |
| Φ125 | 74 | 60 | M50xP2.0 | 60 | 30 | 24 | 43 | 38 | 3/4" | 80 | 75.5 | 120.5 | 123 | 215 | 24 | 29 | 168 | 87 | 220 | 265 |
| Φ150 | 97 | 80 | M70xP2.0 | 80 | 30 | 29 | 48 | 43 | 3/4" | 90 | 83 | 135.5 | 138 | 240 | 29 | 34 | 201 | 103.5 | 260 | 315 |
| Φ160 | 97 | 80 | M70xP2.0 | 80 | 30 | 29 | 48 | 43 | 3/4" | 90 | 83 | 135.5 | 138 | 240 | 29 | 34 | 211 | 108.5 | 270 | 325 |
| Φ180 | 117 | 100 | M90xP2.0 | 100 | 35 | 34 | 58 | 48 | 1" | 100 | 98 | 153 | 158 | 275 | 32 | 39 | 242 | 124.5 | 310 | 370 |
| Φ200 | 117 | 100 | M90xP2.0 | 100 | 35 | 39 | 58 | 53 | 1" | 100 | 103 | 155.5 | 158 | 285 | 35 | 44 | 267 | 137 | 340 | 405 |
| Φ220 | 150 | 125 | M100xP3.0 | 110 | 35 | 44 | 68 | 58 | 1 1/4" | 110 | 113 | 173 | 178 | 315 | 38 | 49 | 292 | 149.5 | 370 | 440 |
| Φ250 | 150 | 125 | M100xP3.0 | 110 | 35 | 49 | 68 | 63 | 1 1/4" | 110 | 118 | 175.5 | 178 | 325 | 41 | 54 | 322 | 164.5 | 405 | 480 |
訂購:h0-la