
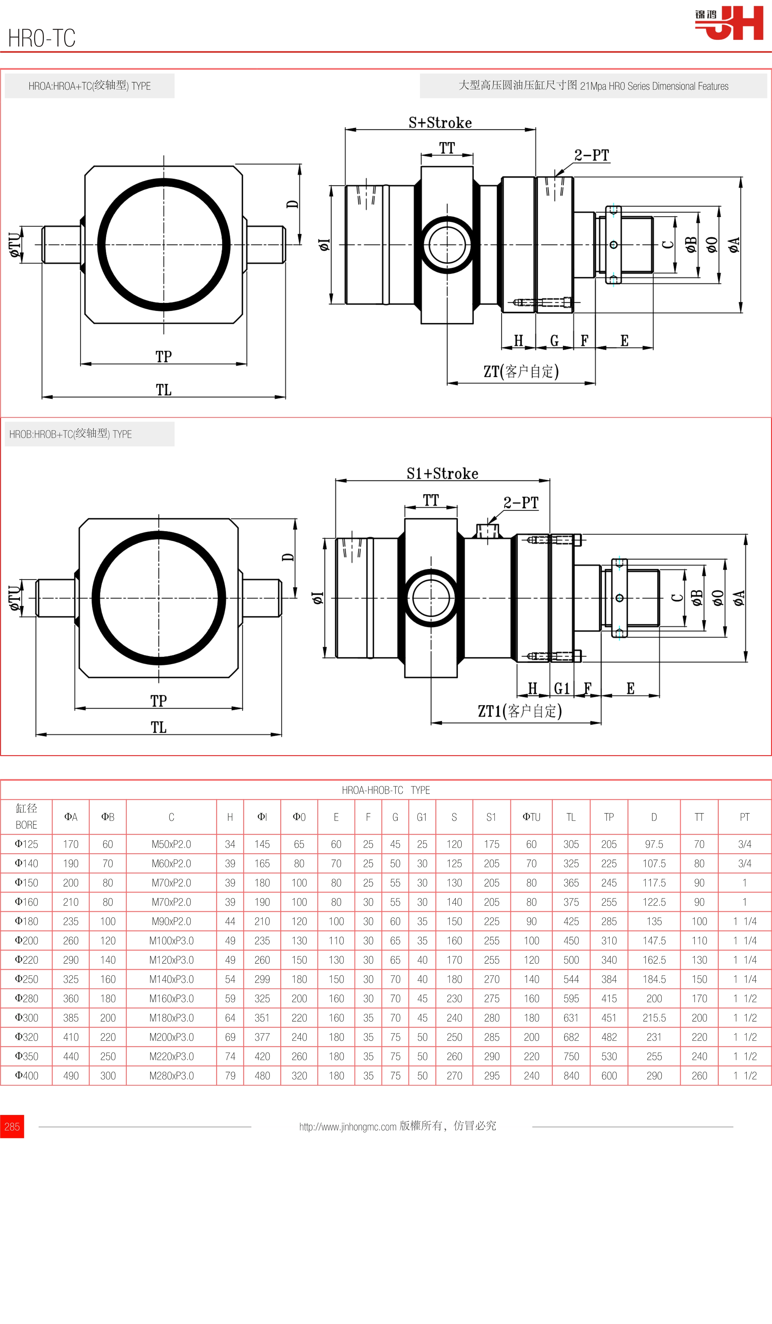
HROA:HROA+TC(絞軸型) TYPE | 大型高壓圓油壓缸尺寸圖 21Mpa HR0 Series Dimensional Features |
![]() | |
HROB:HROB+TC(絞軸型) TYPE

| HROA-HROB-TC TYPE | ||||||||||||||||||
| 缸徑 BORE | ΦA(chǔ) | ΦB | C | H | ΦI | Φ0 | E | F | G | G1 | S | S1 | ΦTU | TL | TP | D | TT | PT |
| Φ125 | 170 | 60 | M50xP2.0 | 34 | 145 | 65 | 60 | 25 | 45 | 25 | 120 | 175 | 60 | 305 | 205 | 97.5 | 70 | 3/4 |
| Φ140 | 190 | 70 | M60xP2.0 | 39 | 165 | 80 | 70 | 25 | 50 | 30 | 125 | 205 | 70 | 325 | 225 | 107.5 | 80 | 3/4 |
| Φ150 | 200 | 80 | M70xP2.0 | 39 | 180 | 100 | 80 | 25 | 55 | 30 | 130 | 205 | 80 | 365 | 245 | 117.5 | 90 | 1 |
| Φ160 | 210 | 80 | M70xP2.0 | 39 | 190 | 100 | 80 | 30 | 55 | 30 | 140 | 205 | 80 | 375 | 255 | 122.5 | 90 | 1 |
| Φ180 | 235 | 100 | M90xP2.0 | 44 | 210 | 120 | 100 | 30 | 60 | 35 | 150 | 225 | 90 | 425 | 285 | 135 | 100 | 1 1/4 |
| Φ200 | 260 | 120 | M100xP3.0 | 49 | 235 | 130 | 110 | 30 | 65 | 35 | 160 | 255 | 100 | 450 | 310 | 147.5 | 110 | 1 1/4 |
| Φ220 | 290 | 140 | M120xP3.0 | 49 | 260 | 150 | 130 | 30 | 65 | 40 | 170 | 255 | 120 | 500 | 340 | 162.5 | 130 | 1 1/4 |
| Φ250 | 325 | 160 | M140xP3.0 | 54 | 299 | 180 | 150 | 30 | 70 | 40 | 180 | 270 | 140 | 544 | 384 | 184.5 | 150 | 1 1/4 |
| Φ280 | 360 | 180 | M160xP3.0 | 59 | 325 | 200 | 160 | 30 | 70 | 45 | 230 | 275 | 160 | 595 | 415 | 200 | 170 | 1 1/2 |
| Φ300 | 385 | 200 | M180xP3.0 | 64 | 351 | 220 | 160 | 35 | 70 | 45 | 240 | 280 | 180 | 631 | 451 | 215.5 | 200 | 1 1/2 |
| Φ320 | 410 | 220 | M200xP3.0 | 69 | 377 | 240 | 180 | 35 | 75 | 50 | 250 | 285 | 200 | 682 | 482 | 231 | 220 | 1 1/2 |
| Φ350 | 440 | 250 | M220xP3.0 | 74 | 420 | 260 | 180 | 35 | 75 | 50 | 260 | 290 | 220 | 750 | 530 | 255 | 240 | 1 1/2 |
| Φ400 | 490 | 300 | M280xP3.0 | 79 | 480 | 320 | 180 | 35 | 75 | 50 | 270 | 295 | 240 | 840 | 600 | 290 | 260 | 1 1/2 |
訂購:hr0-tc