
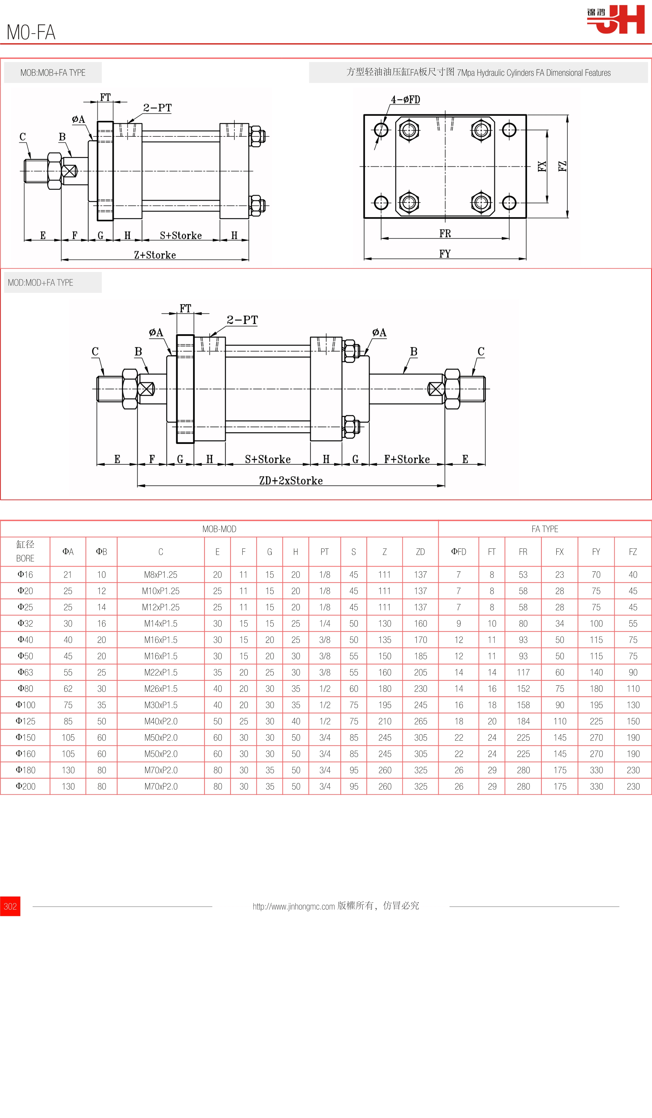
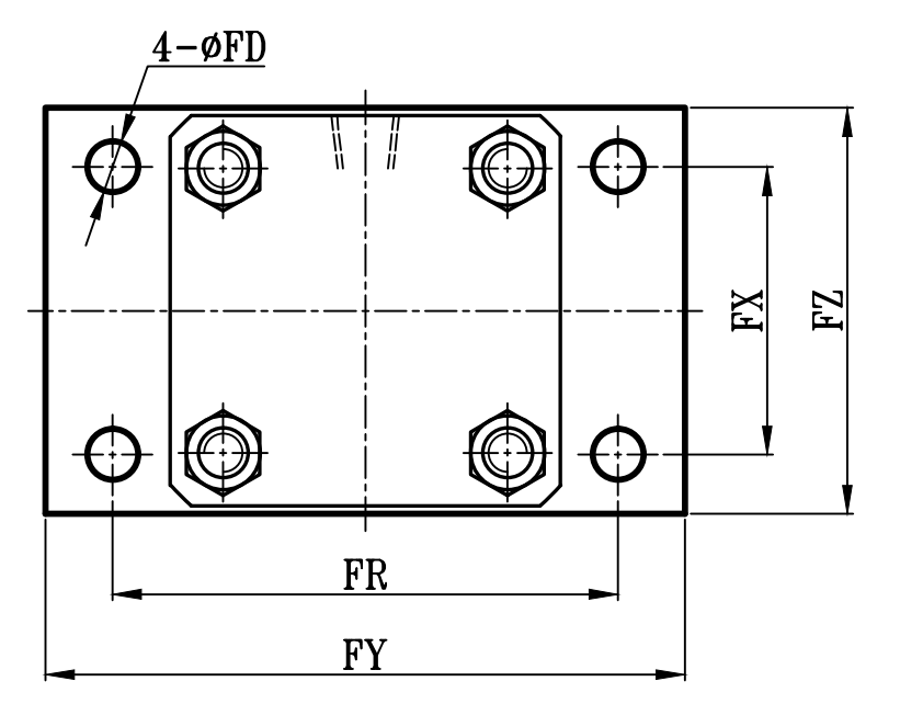
MOB:MOB+FA TYPE | 方型輕油油壓缸FA板尺寸圖 7Mpa Hydraulic Cylinders FA Dimensional Features |
![]() | ![]() |
MOD:MOD+FA TYPE

| MOB-MOD | FA TYPE | ||||||||||||||||
| 缸徑 BORE | ΦA(chǔ) | ΦB | C | E | F | G | H | PT | S | Z | ZD | ΦFD | FT | FR | FX | FY | FZ |
| Φ16 | 21 | 10 | M8xP1.25 | 20 | 11 | 15 | 20 | 1/8 | 45 | 111 | 137 | 7 | 8 | 53 | 23 | 70 | 40 |
| Φ20 | 25 | 12 | M10xP1.25 | 25 | 11 | 15 | 20 | 1/8 | 45 | 111 | 137 | 7 | 8 | 58 | 28 | 75 | 45 |
| Φ25 | 25 | 14 | M12xP1.25 | 25 | 11 | 15 | 20 | 1/8 | 45 | 111 | 137 | 7 | 8 | 58 | 28 | 75 | 45 |
| Φ32 | 30 | 16 | M14xP1.5 | 30 | 15 | 15 | 25 | 1/4 | 50 | 130 | 160 | 9 | 10 | 80 | 34 | 100 | 55 |
| Φ40 | 40 | 20 | M16xP1.5 | 30 | 15 | 20 | 25 | 3/8 | 50 | 135 | 170 | 12 | 11 | 93 | 50 | 115 | 75 |
| Φ50 | 45 | 20 | M16xP1.5 | 30 | 15 | 20 | 30 | 3/8 | 55 | 150 | 185 | 12 | 11 | 93 | 50 | 115 | 75 |
| Φ63 | 55 | 25 | M22xP1.5 | 35 | 20 | 25 | 30 | 3/8 | 55 | 160 | 205 | 14 | 14 | 117 | 60 | 140 | 90 |
| Φ80 | 62 | 30 | M26xP1.5 | 40 | 20 | 30 | 35 | 1/2 | 60 | 180 | 230 | 14 | 16 | 152 | 75 | 180 | 110 |
| Φ100 | 75 | 35 | M30xP1.5 | 40 | 20 | 30 | 35 | 1/2 | 75 | 195 | 245 | 16 | 18 | 158 | 90 | 195 | 130 |
| Φ125 | 85 | 50 | M40xP2.0 | 50 | 25 | 30 | 40 | 1/2 | 75 | 210 | 265 | 18 | 20 | 184 | 110 | 225 | 150 |
| Φ150 | 105 | 60 | M50xP2.0 | 60 | 30 | 30 | 50 | 3/4 | 85 | 245 | 305 | 22 | 24 | 225 | 145 | 270 | 190 |
| Φ160 | 105 | 60 | M50xP2.0 | 60 | 30 | 30 | 50 | 3/4 | 85 | 245 | 305 | 22 | 24 | 225 | 145 | 270 | 190 |
| Φ180 | 130 | 80 | M70xP2.0 | 80 | 30 | 35 | 50 | 3/4 | 95 | 260 | 325 | 26 | 29 | 280 | 175 | 330 | 230 |
| Φ200 | 130 | 80 | M70xP2.0 | 80 | 30 | 35 | 50 | 3/4 | 95 | 260 | 325 | 26 | 29 | 280 | 175 | 330 | 230 |
訂購:m0-fa