
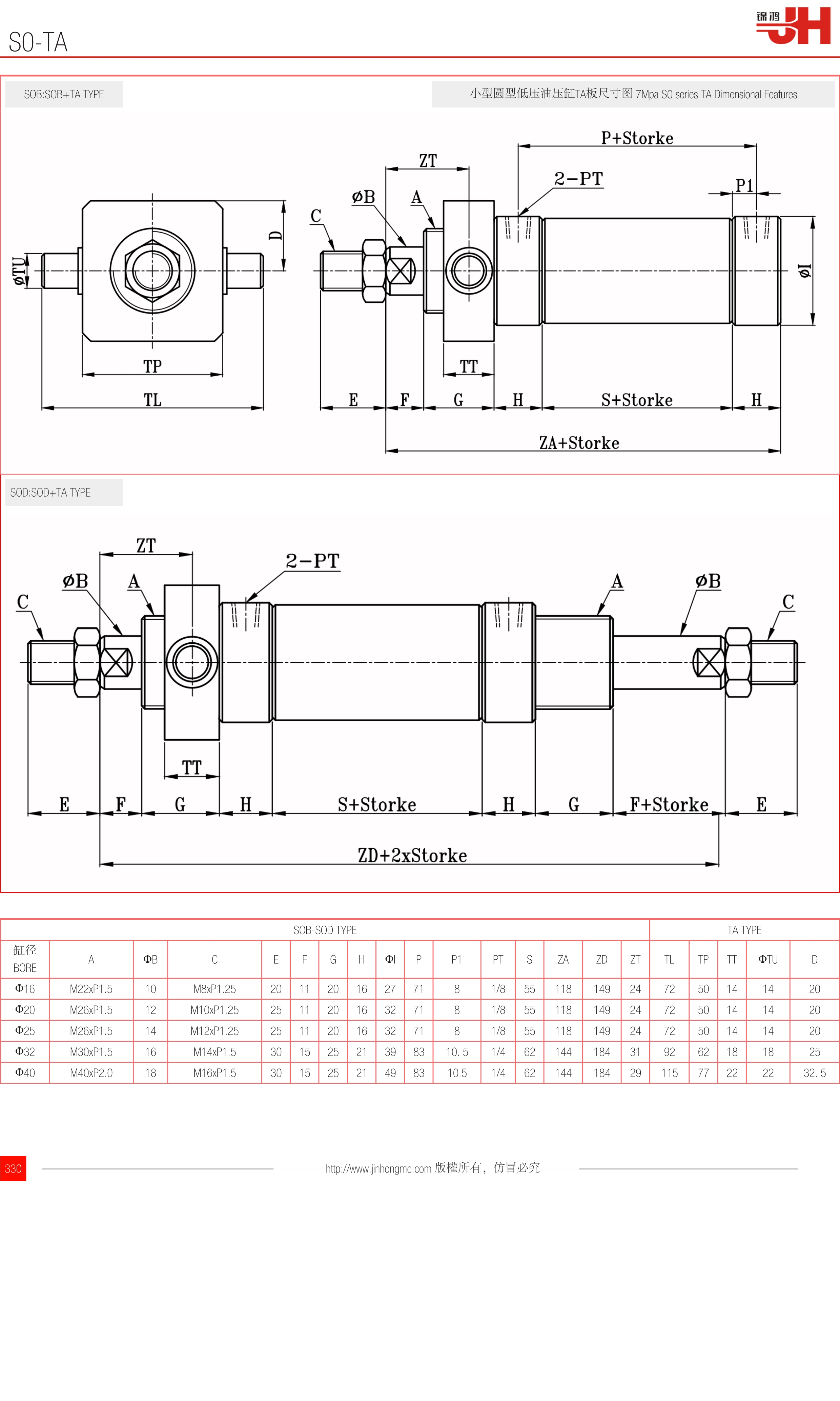
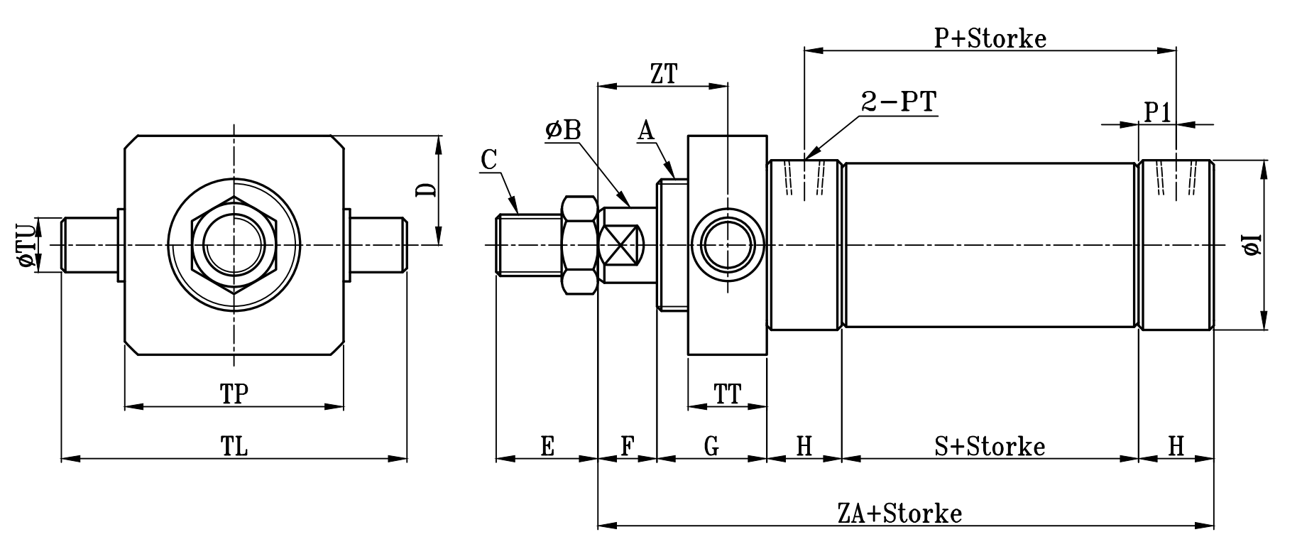
SOB:SOB+TA TYPE | 小型圓型低壓油壓缸TA板尺寸圖 7Mpa S0 series TA Dimensional Features |
![]() | |
SOD:SOD+TA TYPE

| SOB-SOD TYPE | TA TYPE | |||||||||||||||||||
| 缸徑 BORE | A | ΦB | C | E | F | G | H | ΦI | P | P1 | PT | S | ZA | ZD | ZT | TL | TP | TT | ΦTU | D |
| Φ16 | M22xP1.5 | 10 | M8xP1.25 | 20 | 11 | 20 | 16 | 27 | 71 | 8 | 1/8 | 55 | 118 | 149 | 24 | 72 | 50 | 14 | 14 | 20 |
| Φ20 | M26xP1.5 | 12 | M10xP1.25 | 25 | 11 | 20 | 16 | 32 | 71 | 8 | 1/8 | 55 | 118 | 149 | 24 | 72 | 50 | 14 | 14 | 20 |
| Φ25 | M26xP1.5 | 14 | M12xP1.25 | 25 | 11 | 20 | 16 | 32 | 71 | 8 | 1/8 | 55 | 118 | 149 | 24 | 72 | 50 | 14 | 14 | 20 |
| Φ32 | M30xP1.5 | 16 | M14xP1.5 | 30 | 15 | 25 | 21 | 39 | 83 | 10. 5 | 1/4 | 62 | 144 | 184 | 31 | 92 | 62 | 18 | 18 | 25 |
| Φ40 | M40xP2.0 | 18 | M16xP1.5 | 30 | 15 | 25 | 21 | 49 | 83 | 10.5 | 1/4 | 62 | 144 | 184 | 29 | 115 | 77 | 22 | 22 | 32. 5 |
訂購:s0-ta